数字逻辑电路元件¶
数字逻辑电路元件是构建复杂系统的基础,在前面的章节中,我们用CMOS实现了简单的逻辑门,在本章中,我们在逻辑门的基础上实现复杂的算术单元,这些算术单元是构成电脑的硬件核心
Ripple Carry Adder¶
在Lab中,我们已经用逻辑门实现了一个Full Adder,Cout表示carry(进位) = AB + ACin + BCin,S表示本位数的结果,\(S = A \oplus B \oplus Cin\) (对于多位的XOR函数,可以简单理解为其计数1的个数,如果1有奇数个,XOR结果为1,1有偶数个,XOR结果为0)

而Ripple Carry Adder就是由这些基本的Full Adder上组合起来的,用来实现多位加法的。我们把一个Full Adder抽象为一个Box,输入为Cin A B,输出为Cout和S,其中S作为本位计算的结果,是会作为最终加法运算的结果输出的,而Cout作为进位,是中间计算的产物,Cout作为下一个位的Cin,然后多个Full Adder就通过Cout传递向Cin串联在一起,组成一个Ripper Carry Adder(名字大概是由于Carry这一位就像水波一样一层层外推,一层层传递?)其背后的是递归的思想(给定n完成n+1),递归需要一个初始条件,Ripper Carry Adder的第一个加法器输入的Cin为0,A B从要被计算的数中来,最后输出\(S_{n}S_{n-1}..S_{1}\)作为运算的结果,最后一位Cout可以用来判断unsigned的加法计算有没有overflow

这些电路元器件的符号是逐层抽象的结果,先把CMOS抽象成逻辑门(AND门,NAND门,XOR门...)再把Full Adder里面的逻辑门实现的电路抽象成一个box,只显示输入和输出来表示Full Adder,再把N个Full Adder合成N位的Ripple Carry Adder,最后把Ripple Carry Adder抽象成一个box,不显示里面的Full Adder,只展示输入输出,N位的Ripple Carry Adder又可以进一步的串联,合成一个2N/3N/...位的更大的加法器
Comparator¶
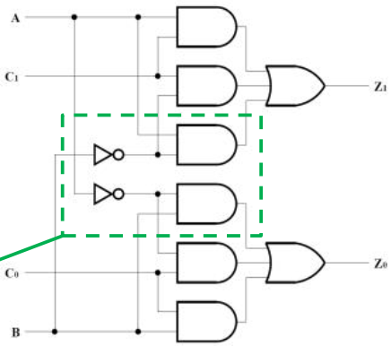
compartor的搭建在PPT中是一个非常完整的逻辑过程:选择bit slice中间传递信息的bit位数 -> 到赋予传递信息的bit相应的含义 -> 列出真值表 -> 化简相应逻辑 -> 设计门电路 -> 电路优化分析
1选择传递位数¶
不同于人类从高位比较到低位的方法,计算机从低位比较到高位,因为运算的过程无法在中途停下,所以人类的方法在计算机中并不能化简运算,如果从高位比较到低位(如人类),在bit slice中间不需要传递任何信息,因为高位的优先级大于低位,但是从低位比较大到高位就需要传递信息,有三种不同情况,大于,小于,等于,因此用两个bits
2赋予传递信息的bit含义¶

具体怎么设计完全是人为规定的,但是不同的表示方法最后电路的复杂程度不同
3列出真值表¶
原则是本位优先,如当前位A B,若A > B则运算结果不需要看传递的\(C_0\) \(C_1\)就可以确定一定是A > B,若A = B,则由\(C_0\) \(C_1\)的大小来确定最后运算的结果
| A | B | C0 | C1 | Z0 | Z1 |
|---|---|---|---|---|---|
| 0 | 0 | 0 | 0 | 0 | 0 |
| 0 | 0 | 0 | 1 | 0 | 1 |
| 0 | 0 | 1 | 0 | 1 | 0 |
| 0 | 0 | 1 | 1 | X | X |
| 0 | 1 | 0 | 0 | 0 | 1 |
| 0 | 1 | 0 | 1 | 0 | 1 |
| 0 | 1 | 1 | 0 | 0 | 1 |
| 0 | 1 | 1 | 1 | X | X |
| 1 | 0 | 0 | 0 | 1 | 0 |
| 1 | 0 | 0 | 1 | 1 | 0 |
| 1 | 0 | 1 | 0 | 1 | 0 |
| 1 | 0 | 1 | 1 | X | X |
| 1 | 1 | 0 | 0 | 0 | 0 |
| 1 | 1 | 0 | 1 | 0 | 1 |
| 1 | 1 | 1 | 0 | 1 | 0 |
| 1 | 1 | 1 | 1 | X | X |
4化简相应逻辑¶

5设计门电路¶

把每个comparator的输出\(Z_0\) \(Z_1\)作为下一个compartor的\(C_0\) \(C_1\)输入,最后一个comparator的输出\(Z_0\) \(Z_1\)显示比较大小的最终结果。初始条件\(C_0C_1 = 00\),表示两个数相等(初始还没有任何关于输入的信息,不能有任何bias)。comparator也像Ripple Carry Adder一样,最后抽象成一个box,只显示输入,输出,而隐藏内部电路
6分析优化电路¶
分析电路还是采用启发式方法(参见Heuristics Methods),由于采用的电路设计是2-level logic,所以gate delay全部是2(不计算NOT门),bit slice的运算中时间累积的部分是\(C_0\) 和 \(C_1\),因为\(C_0\) 和 \(C_1\)来自于上一个comparator的\(Z_0\) \(Z_1\),而\(Z_0\) \(Z_1\)又和三个输入都有关,所以需要的时间是输入到输出的最长时间,最终所需的时间是2N gate delay
如果想要在时间上优化电路,需要减少\(C_0\) \(C_1\)到\(Z_0\) \(Z_1\)的门的数量。对于A B到\(Z_0\) \(Z_1\)的门的数量无所谓,因为A B总是能在固定的时间内获得,时间是沿着\(C_0\) \(C_1\)到\(Z_0\) \(Z_1\)累加的,当comparator的比较的位数N很大时,A B到\(Z_0\) \(Z_1\)造成的常数项delay,在\(C_0\) \(C_1\)到\(Z_0\) \(Z_1\)造成的与N成正比的delay可以忽略不计。在本例子中,从2 level 变成 1 level)并不是很可行,所以设法在空间上优化一下电路
这样化简的理由是1.合并同类项可以减少literal,如AB + BC = B(A + C)由四个literal减少到3个 2.电路都用NAND/NOR,所以最终转化成全部用NAND表示的形式,优化后的电路如下

此时A B到输出\(C_0\) \(C_1\)的gate delay 变成3,所以最后的gate delay变成2N + 1(第一次为3,此后每个comparator为2 所以是 3 + 2 + 2 + ... 总共有N-1个2)
拓展到2's Complement¶
对于2's complement的数进行比较,第一位sign bit是需要被特别考虑的,当正数与正数比较的时候,同unsigned 比较,当正数与负数比较的时候,正数一定大于负数,当负数与负数比较的时候?
因为2's complement中 -k是用\(2^N - k\)的bit pattern表示的(参见2's Complement)当 \(-K_1 < -K_2\)时,不等式两边同时加上\(2^N\),得到\(2^N - K_1 < 2^N - K_2\),所以负数的比较可以和unsigned的正数一样操作

对比\(C_0\) \(C_1\)的设计含义,当sign bit为00 11时,因为遵守unsigned的comparator运算规则,并不需要特别处理,但是当\(A_sB_s\) = 01 10的时候,正确的输出\(Z_1 Z_0\)应该是10 01,但是unsigned comparator的输出(对于unsigned来说1一定是大于0的)\(Z_1 Z_0\)的输出是01 10 此处不符合。一个巧妙的想法是吧unsigned bit的输入对换顺序,这样不影响\(A_sB_s\) = 00 11的时候,因为此时两者相同,完全等价,而对于\(A_sB_s\) = 01 10时,输出刚好对了

巧妙的思想:如果要加一个信号控制到底是unsigned的运算还是signed的运算,应该怎么做?假设增加的信号为F,当F为1的时候表示signed,为0表示unsigned,把F XOR Signed bit即可,XOR0是不会改变原来的bit的,XOR1会翻转原来的bit,当\(A_sB_s\) = 00 11时,XOR 1 为 11 00 不影响,因为这两种情况等价,当\(A_sB_s\) = 01 10时,XOR 1 为 10 01,刚好相当于把输入\(A_s\)和 \(B_s\)对掉